Ferrari 208 Parts
We can supply any part for your vintage Ferrari 208. Select your model to view the part catalogues and part diagrams to find engine parts, transmission parts and much more!
We can supply any part for your vintage Ferrari 208. Select your model to view the part catalogues and part diagrams to find engine parts, transmission parts and much more!
-part-diagram.webp)

-part-diagram.webp)
-part-diagram.webp)
There are no models matching the filter expression you typed. Please try again.
The Ferrari 208 range captured two very different visions of the Prancing Horse. On one side stood the angular, Bertone-designed 208 GT4 - a practical 2+2 with sharp lines and unmistakable ‘70s attitude. On the other, the curvaceous 208 GTB and GTS, styled by Pininfarina, embodied classic Italian elegance in a compact two-seater form. At launch, both models offered modest performance by Ferrari standards: 0-60 mph in 7.7 seconds and a top speed of 134 mph.
Mechanically, the 208 GT4 was a scaled-down version of the 308 GT4, fitted with a 2.0-litre V8, the smallest production V8 ever installed in a road car. It featured smaller Weber carburettors, a shorter final drive, and narrower tyres, all tailored to extract the best from the downsized engine. While it lacked the outright grunt of its bigger siblings, it still delivered that unmistakable Ferrari soundtrack and rear-wheel-drive charm.
Read More >>
The 208 GTB and GTS arrived as successors to the GT4, designed primarily for the Italian market. At the time, Italy imposed a heavy 38% tax on cars with engines over 2 litres, so Ferrari crafted a clever workaround. By keeping displacement under that threshold, the 208 models stayed within the more manageable 18% tax bracket, making ownership more accessible without diluting the Ferrari spirit.
Performance in the naturally aspirated GTB and GTS was modest, just 155 hp, enough to earn them the unflattering title of the slowest Ferraris ever built. But Ferrari wasn’t done. In 1982, the 208 GTB Turbo arrived as the first turbocharged road-going Ferrari, pushing output to 220 hp and injecting serious attitude into the platform. By 1986, Intercooler models delivered 254 hp bringing performance in line with the celebrated 328.
With just 160 GTBs and 140 GTSs built in naturally aspirated form, these are true rarities. Collectors value them not only for their scarcity but for their design pedigree. Styled by Leonardo Fioravanti - the man behind the Daytona, 288 GTO, and 308 - the 208 GTB and GTS share the same seductive silhouette as the 308, making them instantly recognisable and unmistakably Ferrari.
Subtle design cues helped distinguish the 208 models. While the 308 GTBi and GTSi wore quad exhausts, the 208 GTB and GTS featured a single outlet and unique rear badging. When the Turbo arrived, it didn’t just bring power. It brought road presence, debuting with a deep front spoiler and a black roof aileron as standard. Optional extras on the 308 Quattrovalvole, but standard fare on this compact turbocharged trailblazer.
Born of necessity but engineered with passion, the Ferrari 208 proves that even the smallest V8 can leave a big impression. At Eurospares, we honour that legacy by helping owners preserve and enjoy these unique machines with the correct parts and the support of genuine enthusiasts.
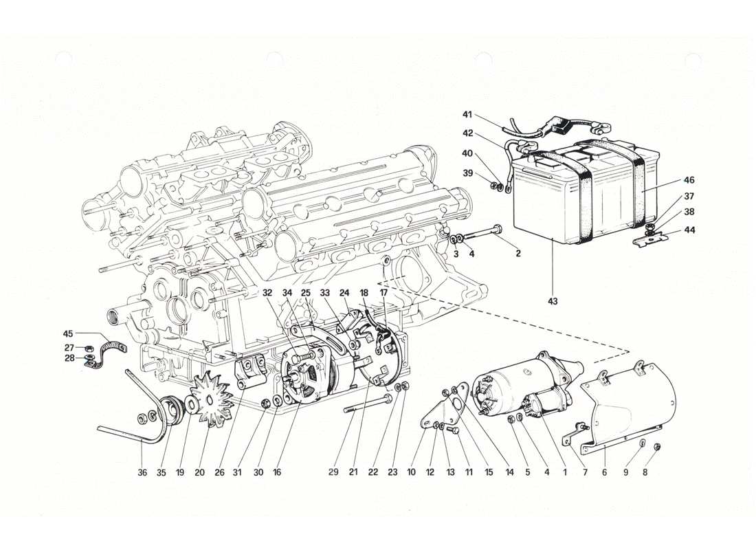
Our inventory covers every version of the Ferrari 208, including the distinctive GT4 2+2, the elegant GTB and GTS, and the later turbocharged models with intercoolers. Each part is listed using the official Ferrari 208 parts catalogue and includes part numbers and diagrams to ensure order accuracy and perfect fitment.
Browse every diagram, including engine ignition systems for GT4 and Turbo variants, crankcase and gearbox support layouts, turbocharging assemblies, fuel injection systems and full exhaust and cooling system schematics.
We supply everything required for regular maintenance and long-term care, including cam belts, oil filters, air filters, gaskets, ball bearings and clutch kits. For rarer needs, we stock turbocharger units, intercooler pipework, window glass, interior switches and authentic Dino badges - sourced with trusted precision to ensure each part maintains the integrity of your 208.
With thousands of Ferrari 208 spares in stock, Eurospares guarantees fast, secure delivery - next-day to the UK, USA, France, Germany, and Italy, with a two-day service to Australia, Dubai, Japan, and other worldwide destinations. All in-stock items are stored on-site and shipped daily by our specialist team, who treat classic supercar parts with the care they deserve.
We offer both new OEM parts and high-quality used parts sourced directly from our in-house dismantling workshop. This provides better availability and competitive pricing, especially for rare items like 208 GT4 engine components or low-volume interior trim and electrical parts. Visit our Cars Breaking section to see the cars and parts available.
Each package is carefully prepared and arrives protected, so your parts reach you in perfect condition and ready to install. Every part we supply reflects decades of experience and unmistakable respect for Maranello’s compact V8 masterpiece, supporting restorations, mechanical repairs, and collector-level authenticity alike.
Owning a Ferrari 208 means being part of a very specific story in Ferrari’s history, where design met regulation, and innovation emerged through restraint. At Eurospares, we’ve supported that story for over four decades, working with collectors, restorers and drivers who expect more than just a generic online order.
Search the full Ferrari 208 parts catalogue online, explore the detailed parts diagrams, or speak with our team of specialists. We’re ready to help, wherever your 208 takes you.