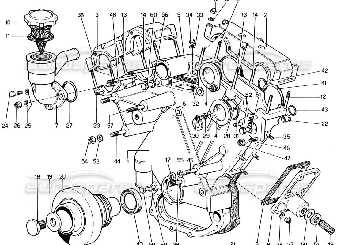
ferrari 365 gt4 2+2 (1973) valve gear parts diagram

006 - valve gear

Ferrari 365 GT4 2+2 (1973) Valve Gear Parts Diagram

View the exploded parts diagram to find the part you are looking for
  • You can reposition the diagram by dragging it
  • You can zoom in and out of the diagram by scrolling, pinching, or using theandbuttons
  • You can reset the diagram using thebutton
View all the part pricing and availability information on the parts table to the rightbelow
  • You can click on a hotspot in the parts diagram to locate the part in the table
  • You can use the options filter, in the filter tab, to hide parts not relevant to your search
Switch between other part diagrams using theandbuttons, or use the diagram images below
We recommend viewing this page in landscape orientation for the best experience
Part Key
ST
Part in stock
PS
Available in a part set
SS
Part supersession in stock
PS
Available in a part set to order (subject to availability)
SO
Part available to order (subject to availability)
PK
Available in a part kit
                                                                                                                        #
                                                                                                                        Part number
                                                                                                                        Description
                                                                                                                        Price
                                                                                                                        # 001
                                                                                                                        MPN: 105101
                                                                                                                        SCATOLA DISTRIBUZIONE
                                                                                                                        from £1,218.31
                                                                                                                        from £1,218.31
                                                                                                                        This part replaces part number 100035
                                                                                                                        # 002
                                                                                                                        MPN: 100047
                                                                                                                        LEFT TIMING CAP
                                                                                                                        from £309.75
                                                                                                                        from £309.75
                                                                                                                        # 003
                                                                                                                        MPN: 100046
                                                                                                                        RIGHT DISTRIBUTION CAP
                                                                                                                        # 004
                                                                                                                        MPN: 100050
                                                                                                                        COVER
                                                                                                                        from £135.37
                                                                                                                        from £135.37
                                                                                                                        This part replaces part number 220481 - and 1 more. Click to view details
                                                                                                                        # 005
                                                                                                                        MPN: 100442
                                                                                                                        UNION
                                                                                                                        from £64.60
                                                                                                                        from £64.60
                                                                                                                        # 006
                                                                                                                        MPN: 100443
                                                                                                                        GASKET OR SEAL
                                                                                                                        from £3.15
                                                                                                                        from £3.15
                                                                                                                        # 006
                                                                                                                        MPN: 147620
                                                                                                                        GASKET
                                                                                                                        replaces: 100225
                                                                                                                        from £4.55
                                                                                                                        from £4.55
                                                                                                                        This part replaces part number 100225
                                                                                                                        # 007
                                                                                                                        MPN: 100081
                                                                                                                        LOADED BODY AND ENGINE VENT
                                                                                                                        from £230.00
                                                                                                                        from £230.00
                                                                                                                        This part replaces part number 220483
                                                                                                                        # 008
                                                                                                                        MPN: 104988
                                                                                                                        COVER
                                                                                                                        from £218.14
                                                                                                                        from £218.14
                                                                                                                        This part replaces part number 104532 - and 2 more. Click to view details
                                                                                                                        # 009
                                                                                                                        MPN: 147620
                                                                                                                        GASKET
                                                                                                                        from £4.55
                                                                                                                        from £4.55
                                                                                                                        This part replaces part number 100225
                                                                                                                        # 010
                                                                                                                        MPN: 100320
                                                                                                                        TAPPO INTRODUZIONE OLIO
                                                                                                                        from £207.90
                                                                                                                        from £207.90
                                                                                                                        This part replaces part number 220507
                                                                                                                        # 011
                                                                                                                        MPN: 100322
                                                                                                                        GASKET
                                                                                                                        from £8.91
                                                                                                                        from £8.91
                                                                                                                        This part replaces part number 4168814
                                                                                                                        # 012
                                                                                                                        MPN: 104185
                                                                                                                        SHORT THREADED STUD
                                                                                                                        from £28.19
                                                                                                                        from £28.19
                                                                                                                        This part replaces part number P1
                                                                                                                        # 013
                                                                                                                        MPN: 100042
                                                                                                                        STUD
                                                                                                                        from £5.94
                                                                                                                        from £5.94
                                                                                                                        # 014
                                                                                                                        MPN: 100043
                                                                                                                        STUD
                                                                                                                        from £19.40
                                                                                                                        from £19.40
                                                                                                                        This part replaces part number 9220562
                                                                                                                        # 015
                                                                                                                        MPN: 10414170
                                                                                                                        WASHER
                                                                                                                        # 016
                                                                                                                        MPN: 100044
                                                                                                                        NUT
                                                                                                                        from £0.53
                                                                                                                        from £0.53
                                                                                                                        This part replaces part number 151230
                                                                                                                        # 017
                                                                                                                        MPN: 12574521
                                                                                                                        NUT
                                                                                                                        from £0.58
                                                                                                                        from £0.58
                                                                                                                        This part replaces part number 12574511
                                                                                                                        # 018
                                                                                                                        MPN: 138793
                                                                                                                        SCREW
                                                                                                                        from £84.44
                                                                                                                        from £84.44
                                                                                                                        This part replaces part number 100476 - and 2 more. Click to view details
                                                                                                                        # 019
                                                                                                                        MPN: 100477
                                                                                                                        PLATE
                                                                                                                        from £14.32
                                                                                                                        from £14.32
                                                                                                                        This part replaces part number 4229642
                                                                                                                        # 020
                                                                                                                        MPN: 100189
                                                                                                                        SMORZATORE TORSIONALE
                                                                                                                        from £891.39
                                                                                                                        from £891.39
                                                                                                                        # 021
                                                                                                                        MPN: 147612
                                                                                                                        GASKET
                                                                                                                        from £23.72
                                                                                                                        from £23.72
                                                                                                                        This part replaces part number 100053 - and 1 more. Click to view details
                                                                                                                        # 022
                                                                                                                        MPN: 100103
                                                                                                                        BUSH
                                                                                                                        from £48.48
                                                                                                                        from £48.48
                                                                                                                        This part replaces part number 220206
                                                                                                                        # 023
                                                                                                                        MPN: 13541124
                                                                                                                        STUD
                                                                                                                        from £13.27
                                                                                                                        from £13.27
                                                                                                                        This part replaces part number 13541121
                                                                                                                        # 024
                                                                                                                        MPN: 10902421
                                                                                                                        BOLT
                                                                                                                        from £0.54
                                                                                                                        from £0.54
                                                                                                                        # 025
                                                                                                                        MPN: 12601271
                                                                                                                        WASHER
                                                                                                                        Supersession
                                                                                                                        Supersession
                                                                                                                        This part replaces part number 103372 - and 1 more. Click to view details
                                                                                                                        # 026
                                                                                                                        MPN: 12574211
                                                                                                                        NUT
                                                                                                                        from £0.71
                                                                                                                        from £0.71
                                                                                                                        # 027
                                                                                                                        MPN: 100049
                                                                                                                        SEALING RING
                                                                                                                        from £2.59
                                                                                                                        from £2.59
                                                                                                                        This part replaces part number 4159110
                                                                                                                        # 028
                                                                                                                        MPN: 11500224
                                                                                                                        THREADED STUD
                                                                                                                        from £0.47
                                                                                                                        from £0.47
                                                                                                                        This part replaces part number 11500221 - and 1 more. Click to view details
                                                                                                                        # 029
                                                                                                                        MPN: 12601271
                                                                                                                        WASHER
                                                                                                                        Supersession
                                                                                                                        Supersession
                                                                                                                        This part replaces part number 103372 - and 1 more. Click to view details
                                                                                                                        # 030
                                                                                                                        MPN: 12574211
                                                                                                                        NUT
                                                                                                                        from £0.71
                                                                                                                        from £0.71
                                                                                                                        # 031
                                                                                                                        MPN: 100049
                                                                                                                        SEALING RING
                                                                                                                        from £2.59
                                                                                                                        from £2.59
                                                                                                                        This part replaces part number 4159110
                                                                                                                        # 032
                                                                                                                        MPN: 11500321
                                                                                                                        THREADED STUD
                                                                                                                        Supersession
                                                                                                                        Supersession
                                                                                                                        # 033
                                                                                                                        MPN: 12639701
                                                                                                                        WASHER
                                                                                                                        Supersession
                                                                                                                        Supersession
                                                                                                                        This part replaces part number 12639704
                                                                                                                        # 034
                                                                                                                        MPN: 100044
                                                                                                                        NUT
                                                                                                                        from £0.54
                                                                                                                        from £0.54
                                                                                                                        This part replaces part number 151230
                                                                                                                        # 035
                                                                                                                        MPN: 11500521
                                                                                                                        THREADED STUD
                                                                                                                        from £1.85
                                                                                                                        from £1.85
                                                                                                                        # 036
                                                                                                                        MPN: 12601271
                                                                                                                        WASHER
                                                                                                                        Supersession
                                                                                                                        Supersession
                                                                                                                        This part replaces part number 103372 - and 1 more. Click to view details
                                                                                                                        # 037
                                                                                                                        MPN: 12574211
                                                                                                                        NUT
                                                                                                                        from £0.71
                                                                                                                        from £0.71
                                                                                                                        # 038
                                                                                                                        MPN: 102935
                                                                                                                        THREADED STUD
                                                                                                                        from £1.33
                                                                                                                        from £1.33
                                                                                                                        This part replaces part number 4161959
                                                                                                                        # 039
                                                                                                                        MPN: 13449920
                                                                                                                        THREADED STUD
                                                                                                                        # 040
                                                                                                                        MPN: 108224
                                                                                                                        SEALING RING
                                                                                                                        from £20.37
                                                                                                                        from £20.37
                                                                                                                        This part replaces part number 105231
                                                                                                                        # 041
                                                                                                                        MPN: 101028
                                                                                                                        SEALING RING
                                                                                                                        from £3.85
                                                                                                                        from £3.85
                                                                                                                        # 042
                                                                                                                        MPN: 101027
                                                                                                                        SEALING RING
                                                                                                                        from £3.94
                                                                                                                        from £3.94
                                                                                                                        # 043
                                                                                                                        MPN: 105558
                                                                                                                        SEALING RING
                                                                                                                        from £1.23
                                                                                                                        from £1.23
                                                                                                                        This part replaces part number 101026
                                                                                                                        # 044
                                                                                                                        MPN: 13450021
                                                                                                                        STUD
                                                                                                                        from £0.47
                                                                                                                        from £0.47
                                                                                                                        This part replaces part number 13450020 which we have in stock
                                                                                                                        # 045
                                                                                                                        MPN: 13449821
                                                                                                                        THREADED STUD
                                                                                                                        from £0.77
                                                                                                                        from £0.77
                                                                                                                        # 046
                                                                                                                        MPN: 16100814
                                                                                                                        THREADED STUD
                                                                                                                        from £0.71
                                                                                                                        from £0.71
                                                                                                                        This part replaces part number 16100811 - and 1 more. Click to view details
                                                                                                                        # 047
                                                                                                                        MPN: 104030
                                                                                                                        SELF LOCKING NUT
                                                                                                                        from £0.53
                                                                                                                        from £0.53
                                                                                                                        This part replaces part number 16104125
                                                                                                                        # 048
                                                                                                                        MPN: 100496
                                                                                                                        THREADED STUD
                                                                                                                        from £2.55
                                                                                                                        from £2.55
                                                                                                                        # 049
                                                                                                                        MPN: 104983
                                                                                                                        PUNTALINO PER REGISTRO TENDICATENA
                                                                                                                        Supersession
                                                                                                                        Supersession
                                                                                                                        # 050
                                                                                                                        MPN: 12601771
                                                                                                                        GASKET
                                                                                                                        from £0.83
                                                                                                                        from £0.83
                                                                                                                        This part replaces part number 12601711
                                                                                                                        # 051
                                                                                                                        MPN: 101413
                                                                                                                        NUT
                                                                                                                        from £20.27
                                                                                                                        from £20.27
                                                                                                                        This part replaces part number 94630
                                                                                                                        # 052
                                                                                                                        MPN: 16044421
                                                                                                                        BOLT
                                                                                                                        from £1.43
                                                                                                                        from £1.43
                                                                                                                        # 053
                                                                                                                        MPN: 10413770
                                                                                                                        WASHER
                                                                                                                        from £0.47
                                                                                                                        from £0.47
                                                                                                                        # 054
                                                                                                                        MPN: 12574521
                                                                                                                        NUT
                                                                                                                        from £0.58
                                                                                                                        from £0.58
                                                                                                                        This part replaces part number 12574511
                                                                                                                        # 055
                                                                                                                        MPN: 105391
                                                                                                                        WASHER
                                                                                                                        from £2.33
                                                                                                                        from £2.33
                                                                                                                        This part replaces part number 4124022
                                                                                                                        # 056
                                                                                                                        MPN: 11198074
                                                                                                                        WASHER
                                                                                                                        from £0.53
                                                                                                                        from £0.53
                                                                                                                        This part replaces part number 11198071 which we have in stock - and 4 more. Click to view details
                                                                                                                        # 057
                                                                                                                        MPN: 13450120
                                                                                                                        THREADED STUD
                                                                                                                        Supersession
                                                                                                                        Supersession
                                                                                                                        # 058
                                                                                                                        MPN: 16044121
                                                                                                                        BOLT
                                                                                                                        from £0.71
                                                                                                                        from £0.71
                                                                                                                        This part replaces part number 11101220
                                                                                                                        # 059
                                                                                                                        MPN: 11198074
                                                                                                                        WASHER
                                                                                                                        from £0.54
                                                                                                                        from £0.54
                                                                                                                        This part replaces part number 11198071 which we have in stock - and 4 more. Click to view details
                                                                                                                        # 060
                                                                                                                        MPN: 16044721
                                                                                                                        BOLT
                                                                                                                        from £0.94
                                                                                                                        from £0.94