Ferrari 365 GTC4 (Mechanical) Part Diagrams
Find all necessary parts for your Ferrari 365 GTC4 (Mechanical) by selecting the relevant parts diagram.-part-diagram-001.webp)
001
ENGINE BLOCK
-part-diagram-001a.webp)
001A
ENGINE BLOCK - REVISION
-part-diagram-002.webp)
002
SUMP PAN - OIL PICK UP
-part-diagram-002a.webp)
002A
SUMP PAN - OIL PICK UP - REVISION
-part-diagram-003.webp)
003
CRANK - BREARINGS & PISTONS
-part-diagram-003a.webp)
003A
CRANK - BREARINGS & PISTONS - REVISION
-part-diagram-004.webp)
004
CYLINDER HEAD RHS
-part-diagram-004a.webp)
004A
CYLINDER HEAD RHS - REVISION
-part-diagram-005.webp)
005
CYLINDER HEAD LHS
-part-diagram-005a.webp)
005A
CYLINDER HEAD LHS - REVISION
-part-diagram-006.webp)
006
TIMING CHEST COVER
-part-diagram-006a.webp)
006A
TIMING CHEST COVER - REVISION
-part-diagram-007.webp)
007
TIMING CHAINS
-part-diagram-007a.webp)
007A
TIMING CHAINS - REVISION
-part-diagram-008.webp)
008
FUEL SYSTEM
-part-diagram-008a.webp)
008A
FUEL SYSTEM - REVISION
-part-diagram-009.webp)
009
AIR FILTERS
-part-diagram-009a.webp)
009A
AIR FILTERS - REVISION
-part-diagram-010.webp)
010
CARBURATORE WEBER 38 DCOE 59-60
-part-diagram-011.webp)
011
THROTTLE LINKAGE
-part-diagram-011a.webp)
011A
THROTTLE LINKAGE - REVISION
-part-diagram-012.webp)
012
VACUM TANK
-part-diagram-012a.webp)
012A
VACUM TANK - REVISION
-part-diagram-013.webp)
013
EXHAUST SYSTEM
-part-diagram-013a.webp)
013A
EXHAUST SYSTEM - REVISION
-part-diagram-014.webp)
014
OIL CIRCUIT
-part-diagram-014a.webp)
014A
OIL CIRCUIT - REVISION
-part-diagram-015.webp)
015
OIL FILTER
-part-diagram-015a.webp)
015A
OIL FILTER - REVISION
-part-diagram-016.webp)
016
WATER & OIL PUMP
-part-diagram-016a.webp)
016A
WATER & OIL PUMP - REVISION
-part-diagram-017.webp)
017
WATER CIRCUIT
-part-diagram-017a.webp)
017A
WATER CIRCUIT - REVISION
-part-diagram-018.webp)
018
CLUTCH
-part-diagram-018a.webp)
018A
CLUTCH - REVISION
-part-diagram-019.webp)
019
CLUTCH PEDAL (LHD)
-part-diagram-019a.webp)
019A
CLUTCH PEDAL - REVISION (LHD)
-part-diagram-020.webp)
020
GEARBOX CASING
-part-diagram-020a.webp)
020A
GEARBOX CASING - REVISION
-part-diagram-021.webp)
021
PRIMARY GEARS
-part-diagram-021a.webp)
021A
PRIMARY GEARS - REVISION
-part-diagram-022.webp)
022
GEARS
-part-diagram-022a.webp)
022A
GEARS - REVISION
-part-diagram-023.webp)
023
GEARS SECOND SHAFT
-part-diagram-023a.webp)
023A
GEARS SECOND SHAFT - REVISION
-part-diagram-024.webp)
024
GEAR SELECTOR & FORKS
-part-diagram-024a.webp)
024A
GEAR SELECTOR & FORKS - REVISION
-part-diagram-025.webp)
025
TORQUE TUBE
-part-diagram-025a.webp)
025A
TORQUE TUBE - REVISION
-part-diagram-026.webp)
026
SCATOLA DIFFERENZIALE
-part-diagram-027.webp)
027
DIFF UNIT
-part-diagram-027a.webp)
027A
DIFF UNIT - REVISION
-part-diagram-028.webp)
028
BRAKE PEDAL & BRAKE MASTER
-part-diagram-028a.webp)
028A
BRAKE PEDAL & BRAKE MASTER - REVISION
-part-diagram-029.webp)
029
BRAKE VACUM PUMP
-part-diagram-029a.webp)
029A
BRAKE VACUM PUMP - REVISION
-part-diagram-030.webp)
030
BRAKE DISCS & BRAKE LINES
-part-diagram-030a.webp)
030A
BRAKE DISCS & BRAKE LINES - REVISION
-part-diagram-031.webp)
031
FRONT & REAR BRAKE CALIPERS
-part-diagram-031a.webp)
031A
FRONT & REAR BRAKE CALIPERS - REVISION
-part-diagram-032.webp)
032
HAND BRAKE
-part-diagram-032a.webp)
032A
HAND BRAKE - REVISION
-part-diagram-033.webp)
033
STEERING BOX & PUMP
-part-diagram-033a.webp)
033A
STEERING BOX & PUMP - REVISION
-part-diagram-034.webp)
034
STEERING LINKAGE
-part-diagram-034a.webp)
034A
STEERING LINKAGE - REVISION
-part-diagram-035.webp)
035
STEERING COLUME
-part-diagram-035a.webp)
035A
STEERING COLUME - REVISION
-part-diagram-036.webp)
036
FRONT SUSPENSION & SHOCK
-part-diagram-036a.webp)
036A
FRONT SUSPENSION & SHOCK - REVISION
-part-diagram-037.webp)
037
FRONT SUSPENSION ARMS
-part-diagram-037a.webp)
037A
FRONT SUSPENSION ARMS - REVISION
-part-diagram-038.webp)
038
REAR SUSPENSION & BRAKE DISC
-part-diagram-038a.webp)
038A
REAR SUSPENSION & BRAKE DISC - REVISION
-part-diagram-039.webp)
039
REAR SUSPENSION ARMS
-part-diagram-039a.webp)
039A
REAR SUSPENSION ARMS - REVISION
-part-diagram-040.webp)
040
REAR SHOCK ABSORBERS
-part-diagram-041.webp)
041
WHEELS
-part-diagram-041a.webp)
041A
WHEELS - REVISION
-part-diagram-042.webp)
042
DISTRIBUTION & H.T LEADS
-part-diagram-042a.webp)
042A
DISTRIBUTION & H.T LEADS - REVISION
-part-diagram-043.webp)
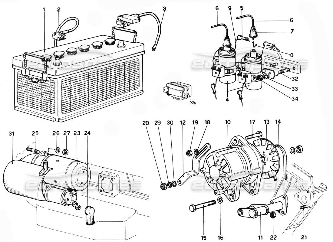
043
ALTERNATOR & STARTER MOTOR
-part-diagram-043a.webp)
043A
ALTERNATOR & STARTER MOTOR - REVISION
-part-diagram-044.webp)
044
AIR CONDITION SYSTEM
-part-diagram-044a.webp)
044A
AIR CONDITION SYSTEM - REVISION
-part-diagram-045.webp)
045
TOOL KITS
-part-diagram-045a.webp)
045A
TOOL KITS - REVISION
-part-diagram-046.webp)
046
ACCELERATOR & CABLE (RHD)
-part-diagram-047.webp)
047
CLUTCH PEDAL (RHD)
-part-diagram-047a.webp)
047A
CLUTCH PEDAL (RHD) - REVISION
-part-diagram-048a.webp)
048A
BRAKE PEDAL (RHD)
-part-diagram-049a.webp)
049A
USA AIR PUMP - REVISION
-part-diagram-050a.webp)
050A
USA DIVERTER VALVES- REVISION
-part-diagram-051a.webp)
051A
ELECTRONIC IGNITION - REVISION
-part-diagram-052a.webp)
052A
TWIN DISTRIBUTOR DISTRIBUTION - REVISION
-part-diagram-053a.webp)
053A
USA EXHAUST- REVISION
-part-diagram-054a.webp)
054A
AIR PRESSURE VALVE- REVISION
-part-diagram-055a.webp)
055A