ferrari f50 pedal assy parts diagram

026 - PEDAL ASSY

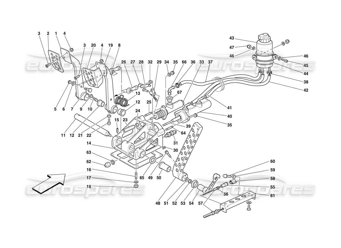
Ferrari F50 Pedal Assy Parts Diagram

View the exploded parts diagram to find the part you are looking for
  • You can reposition the diagram by dragging it
  • You can zoom in and out of the diagram by scrolling, pinching, or using theandbuttons
  • You can reset the diagram using thebutton
View all the part pricing and availability information on the parts table to the rightbelow
  • You can click on a hotspot in the parts diagram to locate the part in the table
  • You can use the options filter, in the filter tab, to hide parts not relevant to your search
Switch between other part diagrams using theandbuttons, or use the diagram images below
We recommend viewing this page in landscape orientation for the best experience
Part Key
ST
Part in stock
PS
Available in a part set
SS
Part supersession in stock
PS
Available in a part set to order (subject to availability)
SO
Part available to order (subject to availability)
PK
Available in a part kit
                                                                                                                      #
                                                                                                                      Part number
                                                                                                                      Description
                                                                                                                      Price
                                                                                                                      # 001
                                                                                                                      MPN: 163236
                                                                                                                      CLUTCH PEDAL
                                                                                                                      from £390.27
                                                                                                                      from £390.27
                                                                                                                      # 002
                                                                                                                      MPN: 152847
                                                                                                                      CLUTCH PEDAL DRILLED PLATE
                                                                                                                      from £45.29
                                                                                                                      from £45.29
                                                                                                                      # 003
                                                                                                                      MPN: 14441434
                                                                                                                      SCREW
                                                                                                                      from £1.19
                                                                                                                      from £1.19
                                                                                                                      This part replaces part number 14441427 which we have in stock - and 1 more. Click to view details
                                                                                                                      # 004
                                                                                                                      MPN: 102741
                                                                                                                      NUT
                                                                                                                      from £0.51
                                                                                                                      from £0.51
                                                                                                                      This part replaces part number 12575411 - and 1 more. Click to view details
                                                                                                                      # 005
                                                                                                                      MPN: 133215
                                                                                                                      NUT
                                                                                                                      Supersession
                                                                                                                      Supersession
                                                                                                                      This part replaces part number 64342800
                                                                                                                      # 006
                                                                                                                      MPN: 12638524
                                                                                                                      WASHER
                                                                                                                      from £0.54
                                                                                                                      from £0.54
                                                                                                                      This part replaces part number 12638501 - and 2 more. Click to view details
                                                                                                                      # 007
                                                                                                                      MPN: 130926
                                                                                                                      SCREW
                                                                                                                      from £3.84
                                                                                                                      from £3.84
                                                                                                                      # 008
                                                                                                                      MPN: 145482
                                                                                                                      BALL JOINT
                                                                                                                      from £39.63
                                                                                                                      from £39.63
                                                                                                                      # 009
                                                                                                                      MPN: 10725914
                                                                                                                      NUT
                                                                                                                      from £0.51
                                                                                                                      from £0.51
                                                                                                                      This part replaces part number 10725911 - and 1 more. Click to view details
                                                                                                                      # 010
                                                                                                                      MPN: 152620
                                                                                                                      PEDAL ADJUSTEMENT PIN
                                                                                                                      from £35.85
                                                                                                                      from £35.85
                                                                                                                      # 011
                                                                                                                      MPN: 152562
                                                                                                                      PIN FOR PEDALS
                                                                                                                      from £339.76
                                                                                                                      from £339.76
                                                                                                                      # 012
                                                                                                                      MPN: 128613
                                                                                                                      SELF LUBRICATING BUSHING
                                                                                                                      Supersession
                                                                                                                      Supersession
                                                                                                                      # 013
                                                                                                                      MPN: 152808
                                                                                                                      CLUTCH PEDAL BACK RETURNING SPRING
                                                                                                                      from £14.14
                                                                                                                      from £14.14
                                                                                                                      This part replaces part number 172852
                                                                                                                      # 014
                                                                                                                      MPN: 151861
                                                                                                                      PEDAL SUPPORT
                                                                                                                      - Not as spare part now - Replaced by 170083
                                                                                                                      Supersession
                                                                                                                      Supersession
                                                                                                                      # 014
                                                                                                                      MPN: 170083
                                                                                                                      PEDAL SUPPORT
                                                                                                                      from £1,341.13
                                                                                                                      from £1,341.13
                                                                                                                      This part replaces part number 151861
                                                                                                                      # 015
                                                                                                                      MPN: 112166
                                                                                                                      FLEXIBLE PIN
                                                                                                                      from £0.54
                                                                                                                      from £0.54
                                                                                                                      # 016
                                                                                                                      MPN: 12429524
                                                                                                                      STUD
                                                                                                                      - Not as spare part now - Replaced by 13543524
                                                                                                                      from £1.05
                                                                                                                      from £1.05
                                                                                                                      # 016
                                                                                                                      MPN: 13543524
                                                                                                                      STUD
                                                                                                                      from £2.18
                                                                                                                      from £2.18
                                                                                                                      This part replaces part number 13543521
                                                                                                                      # 017
                                                                                                                      MPN: 12638524
                                                                                                                      WASHER
                                                                                                                      from £0.53
                                                                                                                      from £0.53
                                                                                                                      This part replaces part number 12638501 - and 2 more. Click to view details
                                                                                                                      # 018
                                                                                                                      MPN: 133215
                                                                                                                      NUT
                                                                                                                      Supersession
                                                                                                                      Supersession
                                                                                                                      This part replaces part number 64342800
                                                                                                                      # 019
                                                                                                                      MPN: 163235
                                                                                                                      BRAKE PEDAL
                                                                                                                      from £364.81
                                                                                                                      from £364.81
                                                                                                                      # 020
                                                                                                                      MPN: 152848
                                                                                                                      BRAKE PEDAL DRILLED PLATE
                                                                                                                      from £83.99
                                                                                                                      from £83.99
                                                                                                                      # 021
                                                                                                                      MPN: 10725914
                                                                                                                      NUT
                                                                                                                      from £0.47
                                                                                                                      from £0.47
                                                                                                                      This part replaces part number 10725911 - and 1 more. Click to view details
                                                                                                                      # 022
                                                                                                                      MPN: 152620
                                                                                                                      PEDAL ADJUSTEMENT PIN
                                                                                                                      from £35.85
                                                                                                                      from £35.85
                                                                                                                      # 023
                                                                                                                      MPN: 152565
                                                                                                                      SPACER
                                                                                                                      from £28.30
                                                                                                                      from £28.30
                                                                                                                      # 024
                                                                                                                      MPN: 16102314
                                                                                                                      NUT
                                                                                                                      from £0.54
                                                                                                                      from £0.54
                                                                                                                      This part replaces part number 16102311 - and 1 more. Click to view details
                                                                                                                      # 025
                                                                                                                      MPN: 12429324
                                                                                                                      STUD
                                                                                                                      from £9.07
                                                                                                                      from £9.07
                                                                                                                      # 026
                                                                                                                      MPN: 145482
                                                                                                                      BALL JOINT
                                                                                                                      from £39.63
                                                                                                                      from £39.63
                                                                                                                      # 027
                                                                                                                      MPN: 163560
                                                                                                                      SPACER
                                                                                                                      from £6.22
                                                                                                                      from £6.22
                                                                                                                      # 028
                                                                                                                      MPN: 152632
                                                                                                                      PIN
                                                                                                                      from £6.60
                                                                                                                      from £6.60
                                                                                                                      # 029
                                                                                                                      MPN: 152561
                                                                                                                      CONTROL LEVER FOR SWITCH
                                                                                                                      from £65.11
                                                                                                                      from £65.11
                                                                                                                      # 030
                                                                                                                      MPN: 14228074
                                                                                                                      PLATE
                                                                                                                      - Not as spare part now - Replaced by 14228076
                                                                                                                      Supersession
                                                                                                                      Supersession
                                                                                                                      # 030
                                                                                                                      MPN: 14228076
                                                                                                                      PLATE
                                                                                                                      from £1.03
                                                                                                                      from £1.03
                                                                                                                      This part replaces part number 14228074
                                                                                                                      # 031
                                                                                                                      MPN: 133555
                                                                                                                      STOP LIGHTS CONTROL SWITCH
                                                                                                                      from £24.38
                                                                                                                      from £24.38
                                                                                                                      # 032
                                                                                                                      MPN: 16102314
                                                                                                                      NUT
                                                                                                                      from £0.54
                                                                                                                      from £0.54
                                                                                                                      This part replaces part number 16102311 - and 1 more. Click to view details
                                                                                                                      # 033
                                                                                                                      MPN: 175211
                                                                                                                      CLUTCH CONTROL PUMP
                                                                                                                      - Not as spare part for F50 now - Replace by 169430
                                                                                                                      from £98.71
                                                                                                                      from £98.71
                                                                                                                      This part replaces part number 123416 - and 1 more. Click to view details
                                                                                                                      # 034
                                                                                                                      MPN: 12601374
                                                                                                                      WASHER
                                                                                                                      from £0.54
                                                                                                                      from £0.54
                                                                                                                      This part replaces part number 10615474 - and 6 more. Click to view details
                                                                                                                      # 035
                                                                                                                      MPN: 133215
                                                                                                                      NUT
                                                                                                                      Supersession
                                                                                                                      Supersession
                                                                                                                      This part replaces part number 64342800
                                                                                                                      # 036
                                                                                                                      MPN: 12179690
                                                                                                                      SCREW COLLAR
                                                                                                                      - Not as spare part for F50 now - Replace by 169362
                                                                                                                      Supersession
                                                                                                                      Supersession
                                                                                                                      This part replaces part number 12179490
                                                                                                                      # 036
                                                                                                                      MPN: 169362
                                                                                                                      SCREW COLLAR
                                                                                                                      from £1.42
                                                                                                                      from £1.42
                                                                                                                      # 037
                                                                                                                      MPN: 154888
                                                                                                                      PIPE FROM TANK TO CLUTCH PUMP
                                                                                                                      from £5.70
                                                                                                                      from £5.70
                                                                                                                      # 038
                                                                                                                      MPN: 13423379
                                                                                                                      ELASTIC COLLAR
                                                                                                                      from £0.71
                                                                                                                      from £0.71
                                                                                                                      # 039
                                                                                                                      MPN: 152564
                                                                                                                      BRAKE PUMP KNUCKLE
                                                                                                                      from £26.41
                                                                                                                      from £26.41
                                                                                                                      # 040
                                                                                                                      MPN: 154995
                                                                                                                      BRAKES CONTROL PUMP
                                                                                                                      from £1,499.70
                                                                                                                      from £1,499.70
                                                                                                                      # 041
                                                                                                                      MPN: 154886
                                                                                                                      PIPE FROM TANK TO FRONT BRAKES PUMP
                                                                                                                      from £5.87
                                                                                                                      from £5.87
                                                                                                                      # 042
                                                                                                                      MPN: 154887
                                                                                                                      PIPE FROM TANK TO REAR BRAKES PUMP
                                                                                                                      from £5.01
                                                                                                                      from £5.01
                                                                                                                      # 043
                                                                                                                      MPN: 154884
                                                                                                                      OIL TANK
                                                                                                                      from £182.88
                                                                                                                      from £182.88
                                                                                                                      # 044
                                                                                                                      MPN: 154885
                                                                                                                      PUMP SUPPORT BRACKET
                                                                                                                      from £11.53
                                                                                                                      from £11.53
                                                                                                                      # 045
                                                                                                                      MPN: 14305324
                                                                                                                      SCREW
                                                                                                                      from £0.53
                                                                                                                      from £0.53
                                                                                                                      This part replaces part number 14305321
                                                                                                                      # 046
                                                                                                                      MPN: 12639724
                                                                                                                      WASHER
                                                                                                                      from £0.54
                                                                                                                      from £0.54
                                                                                                                      This part replaces part number 12639725 - and 1 more. Click to view details
                                                                                                                      # 047
                                                                                                                      MPN: 14048115
                                                                                                                      NUT
                                                                                                                      from £1.17
                                                                                                                      from £1.17
                                                                                                                      This part replaces part number 14048611 - and 1 more. Click to view details
                                                                                                                      # 048
                                                                                                                      MPN: 163557
                                                                                                                      ACCELERATOR PEDAL ASSEMBLY
                                                                                                                      from £188.75
                                                                                                                      from £188.75
                                                                                                                      # 049
                                                                                                                      MPN: 13027387
                                                                                                                      SCREW
                                                                                                                      - Not as spare part now - Replace by 141399
                                                                                                                      from £5.28
                                                                                                                      from £5.28
                                                                                                                      # 049
                                                                                                                      MPN: 141399
                                                                                                                      SCREW
                                                                                                                      from £55.14
                                                                                                                      from £55.14
                                                                                                                      This part replaces part number 13027387
                                                                                                                      # 050
                                                                                                                      MPN: 152566
                                                                                                                      SELF LUBRICATING BUSHING
                                                                                                                      from £8.32
                                                                                                                      from £8.32
                                                                                                                      # 051
                                                                                                                      MPN: 10730314
                                                                                                                      WASHER
                                                                                                                      from £1.51
                                                                                                                      from £1.51
                                                                                                                      # 052
                                                                                                                      MPN: 133215
                                                                                                                      NUT
                                                                                                                      Supersession
                                                                                                                      Supersession
                                                                                                                      This part replaces part number 64342800
                                                                                                                      # 053
                                                                                                                      MPN: 157575
                                                                                                                      RING
                                                                                                                      from £0.93
                                                                                                                      from £0.93
                                                                                                                      # 054
                                                                                                                      MPN: 164966
                                                                                                                      ACCELERATOR CONTROL LEVER
                                                                                                                      from £113.24
                                                                                                                      from £113.24
                                                                                                                      # 055
                                                                                                                      MPN: 10123811
                                                                                                                      BALL JOINT HEAD
                                                                                                                      from £11.41
                                                                                                                      from £11.41
                                                                                                                      # 056
                                                                                                                      MPN: 15896470
                                                                                                                      NUT
                                                                                                                      (minimum order quantity = 20)
                                                                                                                      from £0.83
                                                                                                                      from £0.83
                                                                                                                      This part replaces part number 15896415 which we have in stock - and 1 more. Click to view details
                                                                                                                      # 057
                                                                                                                      MPN: 154379
                                                                                                                      ACCELERATOR CABLE
                                                                                                                      from £41.52
                                                                                                                      from £41.52
                                                                                                                      # 058
                                                                                                                      MPN: 10124776
                                                                                                                      CLIP
                                                                                                                      Supersession
                                                                                                                      Supersession
                                                                                                                      # 059
                                                                                                                      MPN: 10725914
                                                                                                                      NUT
                                                                                                                      from £0.47
                                                                                                                      from £0.47
                                                                                                                      This part replaces part number 10725911 - and 1 more. Click to view details
                                                                                                                      # 060
                                                                                                                      MPN: 152620
                                                                                                                      PEDAL ADJUSTEMENT PIN
                                                                                                                      - Not as spare part for F50 now - Replaced by 170030
                                                                                                                      from £35.85
                                                                                                                      from £35.85
                                                                                                                      # 060
                                                                                                                      MPN: 170030
                                                                                                                      PEDAL ADJUSTEMENT PIN
                                                                                                                      from £7.68
                                                                                                                      from £7.68
                                                                                                                      # 061
                                                                                                                      MPN: 164600
                                                                                                                      SUPPORT FOR ACCELERATOR CABLE
                                                                                                                      from £39.63
                                                                                                                      from £39.63
                                                                                                                      # 062
                                                                                                                      MPN: 168981
                                                                                                                      COUNTER NUT
                                                                                                                      from £4.67
                                                                                                                      from £4.67
                                                                                                                      # 063
                                                                                                                      MPN: 12544574
                                                                                                                      WASHER
                                                                                                                      from £2.00
                                                                                                                      from £2.00
                                                                                                                      # 064
                                                                                                                      MPN: 12429524
                                                                                                                      STUD
                                                                                                                      from £1.11
                                                                                                                      from £1.11
                                                                                                                      # 065
                                                                                                                      MPN: 112127
                                                                                                                      WASHER
                                                                                                                      - MM. 0,9
                                                                                                                      from £0.54
                                                                                                                      from £0.54
                                                                                                                      # 065
                                                                                                                      MPN: 112128
                                                                                                                      WASHER
                                                                                                                      - MM. 1,0
                                                                                                                      from £26.38
                                                                                                                      from £26.38
                                                                                                                      # 065
                                                                                                                      MPN: 112129
                                                                                                                      WASHER
                                                                                                                      - MM. 1,1
                                                                                                                      from £0.54
                                                                                                                      from £0.54
                                                                                                                      # 065
                                                                                                                      MPN: 112130
                                                                                                                      WASHER
                                                                                                                      - MM. 1,2
                                                                                                                      from £0.54
                                                                                                                      from £0.54
                                                                                                                      # 065
                                                                                                                      MPN: 112131
                                                                                                                      WASHER
                                                                                                                      - MM. 1,3
                                                                                                                      from £0.54
                                                                                                                      from £0.54
                                                                                                                      # 065
                                                                                                                      MPN: 171351
                                                                                                                      WASHER
                                                                                                                      - MM. 0,8
                                                                                                                      from £7.68
                                                                                                                      from £7.68
                                                                                                                      # 066
                                                                                                                      MPN: 165032
                                                                                                                      UNION
                                                                                                                      Supersession
                                                                                                                      Supersession
                                                                                                                      # 067
                                                                                                                      MPN: 175189
                                                                                                                      SEAL RING
                                                                                                                      from £14.14
                                                                                                                      from £14.14
                                                                                                                      This part replaces part number 106625