lamborghini countach lp400 gearbox parts diagram

015 - GEARBOX

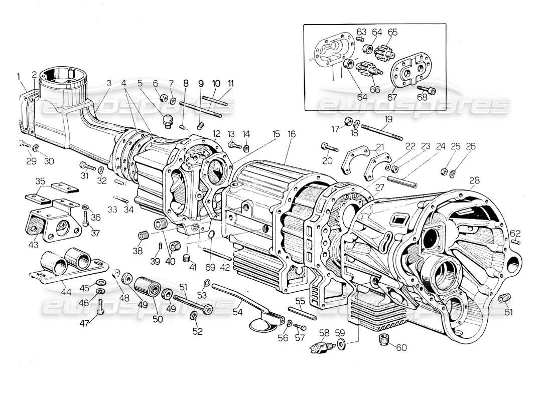
Lamborghini Countach LP400 Gearbox Parts Diagram

View the exploded parts diagram to find the part you are looking for
  • You can reposition the diagram by dragging it
  • You can zoom in and out of the diagram by scrolling, pinching, or using theandbuttons
  • You can reset the diagram using thebutton
View all the part pricing and availability information on the parts table to the rightbelow
  • You can click on a hotspot in the parts diagram to locate the part in the table
  • You can use the options filter, in the filter tab, to hide parts not relevant to your search
Switch between other part diagrams using theandbuttons, or use the diagram images below
We recommend viewing this page in landscape orientation for the best experience
Part Key
ST
Part in stock
PS
Available in a part set
SS
Part supersession in stock
PS
Available in a part set to order (subject to availability)
SO
Part available to order (subject to availability)
PK
Available in a part kit
                                                                                                                                            #
                                                                                                                                            Part number
                                                                                                                                            Description
                                                                                                                                            Price
                                                                                                                                            # 001
                                                                                                                                            MPN: 002408070
                                                                                                                                            COPERCHIETTO SUPPORTO LAVA COM. CAMBIO
                                                                                                                                            from £207.57
                                                                                                                                            from £207.57
                                                                                                                                            # 002
                                                                                                                                            MPN: 002408086
                                                                                                                                            GASKET
                                                                                                                                            from £11.70
                                                                                                                                            from £11.70
                                                                                                                                            # 003
                                                                                                                                            MPN: 002409790
                                                                                                                                            SUPPORT
                                                                                                                                            from £731.88
                                                                                                                                            from £731.88
                                                                                                                                            # 004
                                                                                                                                            MPN: 002409878
                                                                                                                                            GASKET
                                                                                                                                            from £26.94
                                                                                                                                            from £26.94
                                                                                                                                            # 005
                                                                                                                                            MPN: 002302182
                                                                                                                                            SFIATO OLIO
                                                                                                                                            from £151.24
                                                                                                                                            from £151.24
                                                                                                                                            # 006
                                                                                                                                            MPN: 008200605
                                                                                                                                            NUT
                                                                                                                                            from £1.82
                                                                                                                                            from £1.82
                                                                                                                                            # 007
                                                                                                                                            MPN: 008400606
                                                                                                                                            WASHER
                                                                                                                                            Supersession
                                                                                                                                            Supersession
                                                                                                                                            # 008
                                                                                                                                            MPN: 008850806
                                                                                                                                            LOCATING DOWEL
                                                                                                                                            Supersession
                                                                                                                                            Supersession
                                                                                                                                            # 009
                                                                                                                                            MPN: 008930901
                                                                                                                                            PLUG
                                                                                                                                            from £6.81
                                                                                                                                            from £6.81
                                                                                                                                            # 010
                                                                                                                                            MPN: 008300622
                                                                                                                                            THREADED STUD
                                                                                                                                            from £7.97
                                                                                                                                            from £7.97
                                                                                                                                            # 011
                                                                                                                                            MPN: 008300623
                                                                                                                                            THREADED STUD
                                                                                                                                            from £11.11
                                                                                                                                            from £11.11
                                                                                                                                            # 012
                                                                                                                                            MPN: 002409834
                                                                                                                                            COVER
                                                                                                                                            from £752.20
                                                                                                                                            from £752.20
                                                                                                                                            # 013
                                                                                                                                            MPN: 008100636
                                                                                                                                            BOLT
                                                                                                                                            from £0.50
                                                                                                                                            from £0.50
                                                                                                                                            # 014
                                                                                                                                            MPN: 008410602
                                                                                                                                            WASHER
                                                                                                                                            from £28.40
                                                                                                                                            from £28.40
                                                                                                                                            # 015
                                                                                                                                            MPN: 002409792
                                                                                                                                            COVER
                                                                                                                                            from £290.53
                                                                                                                                            from £290.53
                                                                                                                                            # 016
                                                                                                                                            MPN: 002409857
                                                                                                                                            SCATOLA POSTERIORE CAMBIO .
                                                                                                                                            from £30,579.00
                                                                                                                                            from £30,579.00
                                                                                                                                            # 017
                                                                                                                                            MPN: 008200806
                                                                                                                                            NUT
                                                                                                                                            Supersession
                                                                                                                                            Supersession
                                                                                                                                            # 018
                                                                                                                                            MPN: WHT001514
                                                                                                                                            WASHER
                                                                                                                                            from £15.93
                                                                                                                                            from £15.93
                                                                                                                                            This part replaces part number 008410805
                                                                                                                                            # 019
                                                                                                                                            MPN: 008300842
                                                                                                                                            PRIGIONI
                                                                                                                                            from £0.50
                                                                                                                                            from £0.50
                                                                                                                                            # 021
                                                                                                                                            MPN: 002409879
                                                                                                                                            PLATE
                                                                                                                                            from £47.95
                                                                                                                                            from £47.95
                                                                                                                                            # 022
                                                                                                                                            MPN: 008410603
                                                                                                                                            WASHER
                                                                                                                                            Supersession
                                                                                                                                            Supersession
                                                                                                                                            # 024
                                                                                                                                            MPN: 008851003
                                                                                                                                            LOCATING DOWEL
                                                                                                                                            from £15.76
                                                                                                                                            from £15.76
                                                                                                                                            # 025
                                                                                                                                            MPN: N01100845
                                                                                                                                            NUT
                                                                                                                                            from £0.47
                                                                                                                                            from £0.47
                                                                                                                                            This part replaces part number 008200801 - and 2 more. Click to view details
                                                                                                                                            # 026
                                                                                                                                            MPN: WHT001514
                                                                                                                                            WASHER
                                                                                                                                            from £15.93
                                                                                                                                            from £15.93
                                                                                                                                            This part replaces part number 008410805
                                                                                                                                            # 027
                                                                                                                                            MPN: 002408037
                                                                                                                                            SPACER
                                                                                                                                            # 028
                                                                                                                                            MPN: 002409885
                                                                                                                                            CAMPANA FRIZIONE
                                                                                                                                            # 029
                                                                                                                                            MPN: 008700614
                                                                                                                                            SCREW
                                                                                                                                            Supersession
                                                                                                                                            Supersession
                                                                                                                                            # 030
                                                                                                                                            MPN: 008410602
                                                                                                                                            WASHER
                                                                                                                                            from £29.79
                                                                                                                                            from £29.79
                                                                                                                                            # 031
                                                                                                                                            MPN: 008700625
                                                                                                                                            SCREW
                                                                                                                                            from £0.52
                                                                                                                                            from £0.52
                                                                                                                                            # 032
                                                                                                                                            MPN: 008410602
                                                                                                                                            WASHER
                                                                                                                                            from £29.59
                                                                                                                                            from £29.59
                                                                                                                                            # 033
                                                                                                                                            MPN: 008050812
                                                                                                                                            LOCATING DOWEL
                                                                                                                                            # 034
                                                                                                                                            MPN: 008300621
                                                                                                                                            THREADED STUD
                                                                                                                                            from £3.15
                                                                                                                                            from £3.15
                                                                                                                                            # 035
                                                                                                                                            MPN: 002412089
                                                                                                                                            PLATE
                                                                                                                                            # 036
                                                                                                                                            MPN: 008410806
                                                                                                                                            WASHER
                                                                                                                                            Supersession
                                                                                                                                            Supersession
                                                                                                                                            # 037
                                                                                                                                            MPN: 008700811
                                                                                                                                            SCREW
                                                                                                                                            from £0.53
                                                                                                                                            from £0.53
                                                                                                                                            # 038
                                                                                                                                            MPN: 008931603
                                                                                                                                            PLUG
                                                                                                                                            from £6.81
                                                                                                                                            from £6.81
                                                                                                                                            # 039
                                                                                                                                            MPN: 008700606
                                                                                                                                            SCREW
                                                                                                                                            from £0.51
                                                                                                                                            from £0.51
                                                                                                                                            SCREW EI M6X1X10 12KD Genuine Lamborghini - New (other) In stock
                                                                                                                                            (Valid for June 1992 version) GRAND (dalla 12678)
                                                                                                                                            # 040
                                                                                                                                            MPN: 008931901
                                                                                                                                            PLUG
                                                                                                                                            from £3.82
                                                                                                                                            from £3.82
                                                                                                                                            # 041
                                                                                                                                            MPN: 008931301
                                                                                                                                            PLUG
                                                                                                                                            from £4.98
                                                                                                                                            from £4.98
                                                                                                                                            # 042
                                                                                                                                            MPN: 002408626
                                                                                                                                            CONDOTTO OLIO CAMBIO
                                                                                                                                            from £43.05
                                                                                                                                            from £43.05
                                                                                                                                            # 043
                                                                                                                                            MPN: 002409836
                                                                                                                                            SUPPORT
                                                                                                                                            from £193.96
                                                                                                                                            from £193.96
                                                                                                                                            # 044
                                                                                                                                            MPN: 002409837
                                                                                                                                            TRAVERSA SUPPORTO CAMBIO
                                                                                                                                            # 045
                                                                                                                                            MPN: N90179103
                                                                                                                                            WASHER
                                                                                                                                            from £1.13
                                                                                                                                            from £1.13
                                                                                                                                            This part replaces part number 008400801
                                                                                                                                            # 046
                                                                                                                                            MPN: 008410806
                                                                                                                                            WASHER
                                                                                                                                            Supersession
                                                                                                                                            Supersession
                                                                                                                                            # 047
                                                                                                                                            MPN: 008100809
                                                                                                                                            BOLT
                                                                                                                                            from £1.90
                                                                                                                                            from £1.90
                                                                                                                                            # 048
                                                                                                                                            MPN: 008201413
                                                                                                                                            NUT
                                                                                                                                            from £4.98
                                                                                                                                            from £4.98
                                                                                                                                            # 049
                                                                                                                                            MPN: 002409835
                                                                                                                                            SPACER
                                                                                                                                            from £9.46
                                                                                                                                            from £9.46
                                                                                                                                            # 050
                                                                                                                                            MPN: 0B9501144
                                                                                                                                            SUPPORT MOUNT
                                                                                                                                            from £108.00
                                                                                                                                            from £108.00
                                                                                                                                            This part replaces part number 008921408 - and 1 more. Click to view details
                                                                                                                                            # 051
                                                                                                                                            MPN: 008101418
                                                                                                                                            BOLT
                                                                                                                                            from £26.55
                                                                                                                                            from £26.55
                                                                                                                                            # 052
                                                                                                                                            MPN: 008411401
                                                                                                                                            WASHER
                                                                                                                                            from £1.81
                                                                                                                                            from £1.81
                                                                                                                                            # 053
                                                                                                                                            MPN: 008601101
                                                                                                                                            GOMMINO DI TENUTA
                                                                                                                                            from £0.54
                                                                                                                                            from £0.54
                                                                                                                                            # 054
                                                                                                                                            MPN: 002409877
                                                                                                                                            PESCANTE POMPA OLIO CAMBIO
                                                                                                                                            from £76.98
                                                                                                                                            from £76.98
                                                                                                                                            # 055
                                                                                                                                            MPN: 008851003
                                                                                                                                            LOCATING DOWEL
                                                                                                                                            from £15.76
                                                                                                                                            from £15.76
                                                                                                                                            # 056
                                                                                                                                            MPN: 008410602
                                                                                                                                            WASHER
                                                                                                                                            from £30.39
                                                                                                                                            from £30.39
                                                                                                                                            # 057
                                                                                                                                            MPN: 008100529
                                                                                                                                            BOLT
                                                                                                                                            # 058
                                                                                                                                            MPN: 002409895
                                                                                                                                            TRASMETTITORE TEMPERATURA OLIO
                                                                                                                                            from £246.72
                                                                                                                                            from £246.72
                                                                                                                                            # 059
                                                                                                                                            MPN: 008401408
                                                                                                                                            WASHER
                                                                                                                                            from £1.29
                                                                                                                                            from £1.29
                                                                                                                                            # 060
                                                                                                                                            MPN: 086301141A
                                                                                                                                            PLUG
                                                                                                                                            from £23.73
                                                                                                                                            from £23.73
                                                                                                                                            This part replaces part number TN-03165
                                                                                                                                            # 061
                                                                                                                                            MPN: 01S409965
                                                                                                                                            PLUG
                                                                                                                                            from £111.91
                                                                                                                                            from £111.91
                                                                                                                                            This part replaces part number 008931802
                                                                                                                                            # 062
                                                                                                                                            MPN: 008850806
                                                                                                                                            LOCATING DOWEL
                                                                                                                                            Supersession
                                                                                                                                            Supersession
                                                                                                                                            # 063
                                                                                                                                            MPN: 008850504
                                                                                                                                            LOCATING DOWEL
                                                                                                                                            from £12.20
                                                                                                                                            from £12.20
                                                                                                                                            # 064
                                                                                                                                            MPN: 002408625
                                                                                                                                            BUSH
                                                                                                                                            from £41.07
                                                                                                                                            from £41.07
                                                                                                                                            # 065
                                                                                                                                            MPN: 002409858
                                                                                                                                            INGRANAGGIO CONDOTTO POMPA OLIO
                                                                                                                                            from £210.47
                                                                                                                                            from £210.47
                                                                                                                                            # 066
                                                                                                                                            MPN: 002409859
                                                                                                                                            INGRANAGGIO CONDUTTORE POMPA OLIO
                                                                                                                                            from £275.34
                                                                                                                                            from £275.34
                                                                                                                                            # 067
                                                                                                                                            MPN: 002403622
                                                                                                                                            COVER
                                                                                                                                            # 068
                                                                                                                                            MPN: 008700614
                                                                                                                                            SCREW
                                                                                                                                            Supersession
                                                                                                                                            Supersession
                                                                                                                                            # 069
                                                                                                                                            MPN: 008601502
                                                                                                                                            GOMMINO DI TENUTA
                                                                                                                                            from £1.86
                                                                                                                                            from £1.86