View All 
 
                                                                                        041 - Heating and Conditioning
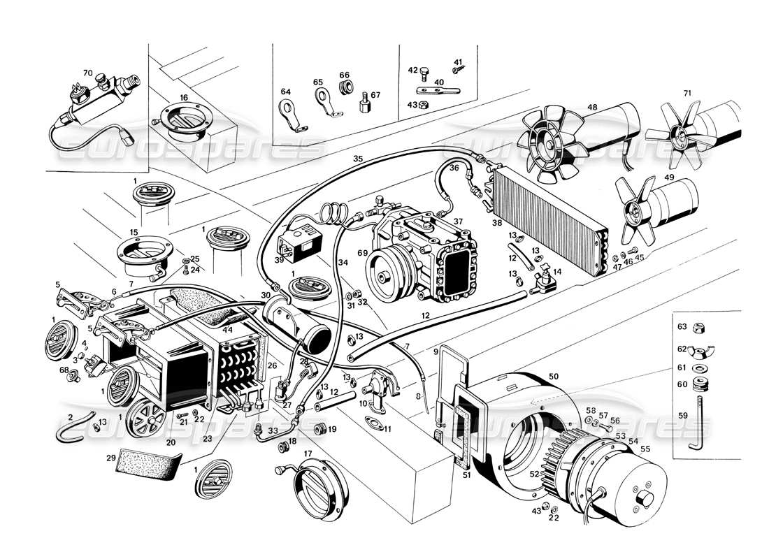
Maserati Ghibli 4.7 / 4.9 Heating and Conditioning Parts Diagram
View the exploded parts diagram to find the part you are looking for
- You can reposition the diagram by dragging it
- You can zoom in and out of the diagram by scrolling, pinching, or using theandbuttons
- You can reset the diagram using thebutton
View all the part pricing and availability information on the parts table to the rightbelow
- You can click on a hotspot  in the parts diagram to locate the part in the table 
- You can use the options filter, in the filter tab, to hide parts not relevant to your search
Switch between other part diagrams using theandbuttons, or use the diagram images below
We recommend viewing this page in landscape orientation for the best experience
Part Key
ST
Part in stock
PS
Available in a part set
SS
Part supersession in stock
PS
Available in a part set to order (subject to availability)
SO
Part available to order (subject to availability)
PK
Available in a part kit
# 001
MPN: 107/A BV 66049
ADJUSTABLE THROTTLE ASSEMBLY
# 002
MPN: 107/A BR 62254
TERMOSTATO TP. RANCO-A10/2230 (NON PIT) REPERIBILE IN COMMERCIO)
# 002
MPN: 107/A BR 64844
TERMOSTATO TP. RANCO-A10/6117 X (SOSTITUISCE IT 62254)
# 003
MPN: 107/A BV 61999
KNOB FOR THERMOSTAT CONTROL
# 004
MPN: GRN 63192
Grano Ø 4 X 0,7 X 8 per detto
# 005
MPN: 107 BV 57838
HEATING CONTROL WASHER ASSEMBLY
# 006
MPN: 115 BV 64632
HEATING WATER VALVE CONTROL WIRE
# 007
MPN: GFN 57259
GUAINA Ø 2 X 550 COMANDO FARTALLA TRAVE DESTRA (SINO ALLA VETTURA N. 300)
# 007
MPN: GFN 57259
GUAINA Ø 2 X 700 PER DETTO
# 007
MPN: GFN 57259
GUAINA Ø 2 X 890 COMANDO FARFALLA TRAVE DESTRA (DALLA VETTURA N.302)
# 008
MPN: FGN 57260
FILO ACCIAIO Ø 1,2 X 680 CORN. FARFALLA TRAVE DEST.(SINO ALLA VETT. N. 300)
# 008
MPN: FGN 57260
FILO ACCIAIO Ø 1,2 X 890 COMANDO FARTALLA TRAVE DESTRA (DALLA VETT. N. 302)
# 009
MPN: 107/A BV 60937
COMPLESSIVO FARFALLA TRAVE DESTRA COMANDO ARIA (SINO ALLA VETT. N. 300)
# 009
MPN: 107/A BV 65249
COMPLESSIVO FARFALLA TRAVE DESTRA COMANDO ARIA (DALLA VETTURA N. 302)
# 010
MPN: MT 0071670
HEATER VALVE
from  £475.77 
from  £475.77 
# 011
MPN: GN 61602
GASKET OR SEAL
# 012
MPN: MN 54688
MANICOTTO GOMMA Ø 14 X 20 X 1600 DAL RADIATORE RISCALDAMENTO AL RUBINETTO AUSILIARO
from  £85.89 
from  £85.89 
# 012
MPN: MN 54688
MANICOTTO GOMMA Ø 14 X 20 X 300 DAL RUBINETTO AUSILIARIO AL RADIAT. ACQUA
from  £85.89 
from  £85.89 
# 012
MPN: MN 54688
MANICOTTO GOMMA Ø 14 X 20 X 450 DAL RUBINETTO AT RADIATORS RISCALDAMENTO
from  £85.89 
from  £85.89 
# 012
MPN: MN 54688
MANICOTTO GOMMA Ø 14 X 20 X 500 SCARICO CONDENSA
from  £85.89 
from  £85.89 
# 013
MPN: FRN/37825
FASCETTA TP. MTO PER DETTI
# 014
MPN: 101/2 20370 50336
RUBINETTO AUSIIIARIO ACQUA RISCALDAMENTO
Supersession 
Supersession 
# 015
MPN: 107/A BV 64005
Complessivo fartalla Ø 80 pilota (sino alla vettura n. 300)
# 016
MPN: 107/A BV 64009
Complessivo farfalla Ø 80 passeggero (sino ally vettura n. 30D)
# 017
MPN: 107/A BV 65131
Complessivo farfalla Ø 111 passeggero (dalla vettura n. 302 in poi)
# 019
MPN: PFN 45004
GROMMET
# 020
MPN: 115 BV 63898
RADIATOR CONTAINER BOX FOR HEATING AND AIR CONDITIONING.
# 021
MPN: VNT 62583
Vile Ø 5 X 0,8 X 12 per detto
# 022
MPN: RDI 58544
WASHER
# 023
MPN: 11 BV 63890
WATER RADIATOR AND EVAPORATOR FOR HEATING AND AIR CONDITIONING
# 024
MPN: VNT 61864
Vita Ø 4 X 0,7 X 12 per detto
# 026
MPN: 115 BV 63981
GASKET OR SEAL
# 027
MPN: 107/A BR 61311
VALVOLA AD ESPANSIONE TP. FLICA TMS 13/4 TONS. O EGELHOF
# 028
MPN: 107/A BR 62301
Fascetta per fissaggio serpentine valvola ad espansione .
# 029
MPN: 107/A BR 62302
TAPE FOR THERMAL INSULATION OF THE EXPANSION VALVE COIL
# 030
MPN: 107/A BR 64047
AIR CONDITIONER FILTER TANK
# 031
MPN: DNT 47047
NUT
# 032
MPN: RSN/32690
WASHER
# 033
MPN: 107/A BR 61310
UNION
# 034
MPN: 107/A BR 64303
Tubo fiessibiie Ø ½'' dall'evaporatore at compressore per ritorno freno
# 035
MPN: 107/A BR 64304
Tubo fiessibile Ø 5/16'' dal bocchettone condensatore al filtro (montato fino al 21-2-1968)
# 035
MPN: 107/A BR 66036
Tubo fiessibile Ø 5/16'' dal bocchettone condensatore al filtro (montato dal al 21-2-1968 in poi)
# 036
MPN: 107/A BR 64299
Tubo fiessibiie Ø 3/8 dal compressore al condensatore (montato fino al 21-3-1968)
# 036
MPN: 107/A BR 66035
Tubo fiessibiie Ø 3/8 dal compressore al condensatore (montato dal al 21-3-1968 in poi)
# 037
MPN: 107 BR 54023
Tp air conditioner compressor. YORK FROM 206 left
# 038
MPN: 107/A BR 61644
CONDENSOR
# 038
MPN: 107/A BR 65667
CONDENSOR
# 038
MPN: 107/A BR 66003
CONDENSOR
# 039
MPN: 101 /9 BR 58097
PRESSOSTATO TP. RANCO G23-403 (MONTATO SINO AL 24-5-1968 - VETTURA N. 416 - SOSTITUIO DAL PAR. 70)
# 040
MPN: 107 BR 61406
PIASTRINO FISSAGGIO TUBICINO PRESSOSTATO AL SUPPORTO COMPRESSORE (SINO AL 24-5-1968 - VETTURA N. 416)
# 041
MPN: VAT 49217
SCREW
# 042
MPN: BNT/47370
BOLT
from  £3.36 
from  £3.36 
 This part replaces part number 47370 
# 043
MPN: DNT 47046
NUT
from  £0.88 
from  £0.88 
 This part replaces part number 47046 
# 044
MPN: 115 BV 63905
INVOLUCRO ESTEMO ANTICONDENSA PER SCATOLA PORTA EVAPORATORE
# 047
MPN: DNT/62557
NUT
# 048
MPN: 115 BL 64452
COMPLESSIVO MOTORINO A VENTOLA (DALLA VETTURA N. 018 ALLA 102) (DALLA VETTURA N. 104 ALLA 256 MONTATO ASSIEME AL PARTIC. 71)
# 049
MPN: 115 BL 65643
COMPLESSIVO MOTORINO E VENTOLA (DALLA VETTURA N. 258 IN POI)
# 050
MPN: 107/A 60906
COMPLESSIVO CHIOCCIOLA PER VENTILATORS CENTRIFUGO
# 051
MPN: 107/A BV 62307
GASKET OR SEAL
# 052
MPN: 107/A BV 61401
IMPELLER FOR NUCLEAR
# 053
MPN: 107/A BV 61983
SEAL
# 054
MPN: 107/A BV 61984
ELECTRIC MOTOR FIXING DISC.
# 055
MPN: 107/A BV 61982
2 SPEED MOTOR FOR HEATING VENTILATION SYSTEM
# 056
MPN: BNT 61985
BOLT
# 059
MPN: 107/A BV 62227
PIVOT
# 060
MPN: PFN 45173
GROMMET
# 061
MPN: RNT 52134
WASHER
# 062
MPN: DST 47462
NUT
# 063
MPN: DST 45669
NUT
# 064
MPN: 107/A BR 64546
LAMIERINO SOSTEGNO TUBO DALL'EVAPORATORE AT COMPRESSORE (POSTERIORE)
# 065
MPN: 107/A BR 64548
Lamierino sostegno tubo dall'evaporatore at compressore (anteriore)
# 066
MPN: PFN 55212
GROMMET
# 067
MPN: A6 GCM 3124 41187
GUIDE SHEET FIXING COLUMN Tubi AIR CONDITIONING
# 068
MPN: 107/A BR 62008
GHIERA FISSAGGIO TERMOSTATO AT CRUSCOTTO
# 069
MPN: 107 BR 54534
FRIZIONE ELETTROMAGNETICA COMPLETA TP. BARUFFALDI N. 221064-A
# 070
MPN: 107/A BR 66180
VALVOLA ISOBARICA (SOSTITUISCE PRESSOSTATO PARTIC. N. 39, DALLA VETTURA N. 418 - DAL 24-5-1968)
# 071
MPN: 115 BL 64905
COMPLESSIVO MOTORINO A VENTOLA (DALLA VETTURA N. 104 ALLA 256 - MONTATA ASSIEME AL PART. 48)
 Eurospares
 Eurospares 
  
  
  
  
  
  
  
  
  
  
  
  
  
  
  
  
  
  
  
  
  
  
  
  
  
  
  
  
  
  
  
  
  
  
  
  
  
  
  
  
  
 