View All

048 - Steering Box And Hydraulic Steering Pump
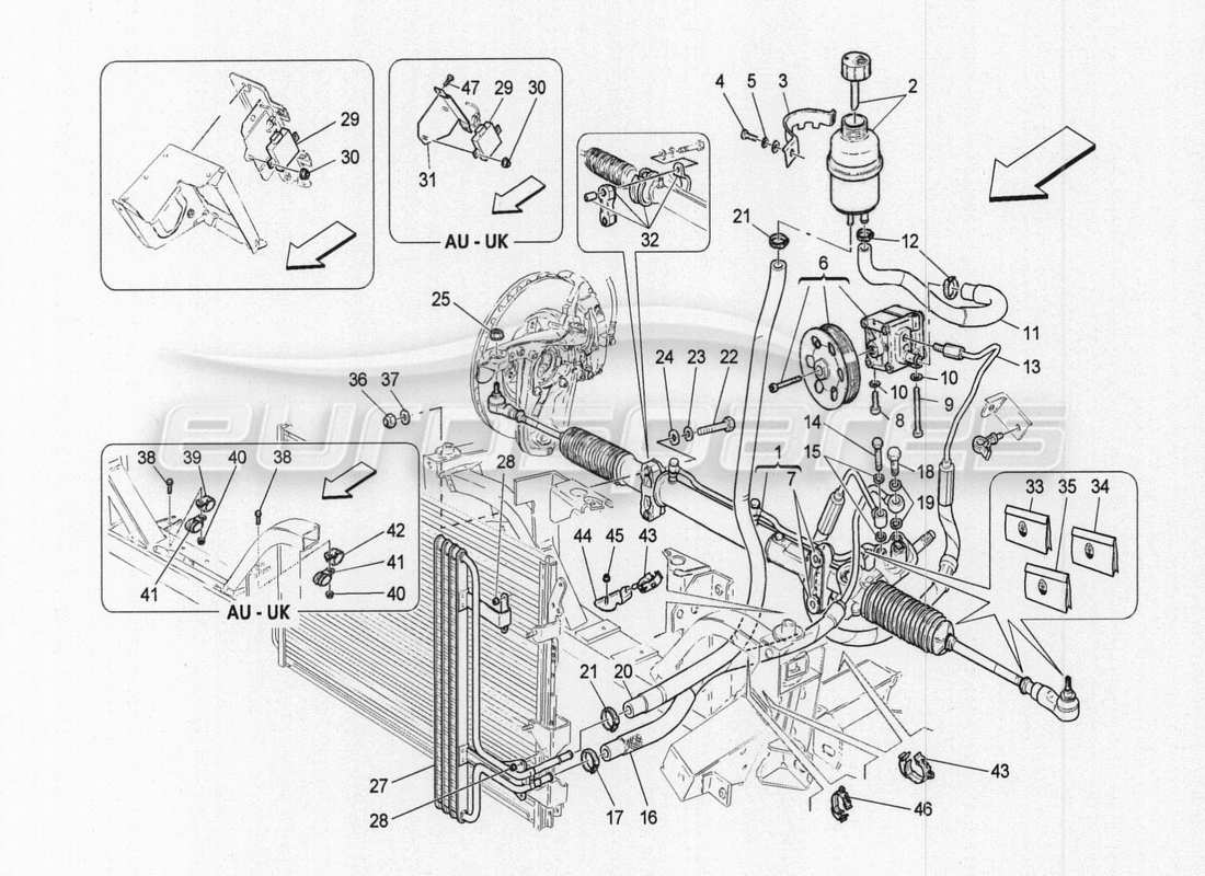
Maserati GranTurismo Special Edition Steering Box And Hydraulic Steering Pump Parts Diagram
View the exploded parts diagram to find the part you are looking for
- You can reposition the diagram by dragging it
- You can zoom in and out of the diagram by scrolling, pinching, or using theandbuttons
- You can reset the diagram using thebutton
View all the part pricing and availability information on the parts table to the rightbelow
- You can click on a hotspot
in the parts diagram to locate the part in the table
- You can use the options filter, in the filter tab, to hide parts not relevant to your search
Switch between other part diagrams using theandbuttons, or use the diagram images below
We recommend viewing this page in landscape orientation for the best experience
Part Key
ST
Part in stock
PS
Available in a part set
SS
Part supersession in stock
PS
Available in a part set to order (subject to availability)
SO
Part available to order (subject to availability)
PK
Available in a part kit
# 001
MPN: 267186
LHD STEERING RACK
from £104.79
from £104.79
This part replaces part number 249107
# 002
MPN: 270104
OIL TANK POWER STEERING PUMP
from £34.74
from £34.74
This part replaces part number 185820 which we have in stock
# 003
MPN: 224325
POWER STEERING TANK COLLAR
from £7.93
from £7.93
# 004
MPN: 10902424
VITE
from £0.53
from £0.53
# 005
MPN: 12644424
ROSETTA
from £0.54
from £0.54
This part replaces part number 13550214
# 006
MPN: 263369
POMPA IDROGUIDA CPL. CONSULTARE BOLLETTINO PPD 09/2011 DEL 09/11/2011
from £1,102.48
from £1,102.48
# 007
MPN: 980138228
SILENTBLOCK SCATOLA GUIDA
from £15.76
from £15.76
# 008
MPN: 198519
VITE
from £3.07
from £3.07
# 009
MPN: 180604
VITE
from £1.82
from £1.82
# 010
MPN: 11193874
ROSETTA D.8.4-16X1.4
from £0.54
from £0.54
# 011
MPN: 210128
PIPE FROM TANK TO POWER STEERING PUMP
from £18.66
from £18.66
# 012
MPN: 13000390
SCREW COLLAR
from £0.53
from £0.53
This part replaces part number 13121170 - and 1 more. Click to view details
# 013
MPN: 277612
PIPE FROM PUMP TO STEERING BOX
from £124.75
from £124.75
# 014
MPN: 205821
RACCORDO
from £10.18
from £10.18
# 014
MPN: 250145
RACCORDO
from £10.18
from £10.18
# 015
MPN: 10261360
Guarnizione
from £0.53
from £0.53
# 016
MPN: 238888
POWER STEERING PIPE TO EXCHANGER
from £67.59
from £67.59
# 017
MPN: 13000390
COLLARE A VITE
from £0.53
from £0.53
This part replaces part number 13121170 - and 1 more. Click to view details
# 018
MPN: 188930
RACCORDO
from £9.82
from £9.82
# 018
MPN: 250144
RACCORDO
from £9.82
from £9.82
# 019
MPN: 10280060
Guarnizione
from £0.53
from £0.53
# 020
MPN: 238886
PIPE FROM EXCHANGER TO TANK
from £19.61
from £19.61
# 021
MPN: 13000390
COLLARE A VITE
from £0.53
from £0.53
This part replaces part number 13121170 - and 1 more. Click to view details
# 022
MPN: 16237274
VITE
from £2.89
from £2.89
# 023
MPN: 12641024
ROSETTA
from £1.23
from £1.23
# 024
MPN: 12641024
ROSETTA
from £1.23
from £1.23
# 025
MPN: 299496
NUT
from £1.53
from £1.53
# 027
MPN: 236099
SCAMBIATORE IDROGUIDA CPL.
from £143.70
from £143.70
# 028
MPN: 102741
NUT
from £0.53
from £0.53
This part replaces part number 12575421
# 029
MPN: 237283
CENTRALINA COMANDO IDROGUIDA
from £87.70
from £87.70
# 030
MPN: 14059111
NUT
from £0.53
from £0.53
# 032
MPN: 980138275
STEERING BOX FIXING KIT
from £136.75
from £136.75
# 033
MPN: 980139057
REPLACEMENT KIT Tubi STEERING BOX
from £281.59
from £281.59
# 034
MPN: 980001706
STEERING BOX JOINT REPLACEMENT KIT
from £78.60
from £78.60
This part replaces part number 980000968
# 035
MPN: 980139056
KIT SOSTITUZIONE CUFFIE SCATOLA GUIDA
from £80.03
from £80.03
# 036
MPN: 256775
NUT
from £1.53
from £1.53
# 037
MPN: 12626224
ROSETTA
from £0.53
from £0.53
# 043
MPN: 242248
MOLLETTA
from £2.26
from £2.26
This part replaces part number 198394
# 044
MPN: 277525
STAFFA
from £13.49
from £13.49
# 045
MPN: 14040614
NUT
from £0.47
from £0.47
# 046
MPN: 14631487
MOLLETTA
from £1.26
from £1.26
# 047
MPN: 11620724
VITE TE M5X18
from £0.56
from £0.56