lamborghini espada oil pump circuit parts diagram

005.2 - Oil pump circuit

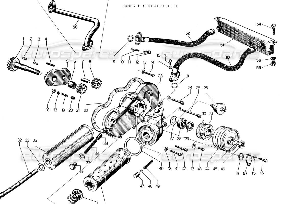
Lamborghini Espada Oil pump circuit Parts Diagram

View the exploded parts diagram to find the part you are looking for
  • You can reposition the diagram by dragging it
  • You can zoom in and out of the diagram by scrolling, pinching, or using theandbuttons
  • You can reset the diagram using thebutton
View all the part pricing and availability information on the parts table to the rightbelow
  • You can click on a hotspot in the parts diagram to locate the part in the table
  • You can use the options filter, in the filter tab, to hide parts not relevant to your search
Switch between other part diagrams using theandbuttons, or use the diagram images below
We recommend viewing this page in landscape orientation for the best experience
Part Key
ST
Part in stock
PS
Available in a part set
SS
Part supersession in stock
PS
Available in a part set to order (subject to availability)
SO
Part available to order (subject to availability)
PK
Available in a part kit
#
Part number
Description
Price
# 001
MPN: 001507368
ALBERINO PRESA MOTO
from £793.76
from £793.76
# 002
MPN: 008860502
WOODRUFF KEY
from £0.79
from £0.79
# 003
MPN: 008860602
Key
from £30.78
from £30.78
This part replaces part number 008860604
# 004
MPN: 008300615
THREADED STUD
from £13.86
from £13.86
# 005
MPN: 001504903
COVER
from £130.91
from £130.91
# 006
MPN: 008522203
CUSCINETTO A RULLI
from £27.21
from £27.21
# 007
MPN: 001504487
PIVOT
from £53.41
from £53.41
# 008
MPN: 001504499
DRIVEN GEAR
from £2,106.50
from £2,106.50
# 009
MPN: 008602304
O RING
from £6.67
from £6.67
This part replaces part number 008602302
# 010
MPN: 008300610
THREADED STUD
from £16.84
from £16.84
# 011
MPN: 008400606
WASHER
Supersession
Supersession
# 012
MPN: 008200605
NUT
from £2.22
from £2.22
# 013
MPN: 008410602
WASHER
from £31.48
from £31.48
# 014
MPN: 008100615
BOLT
from £3.98
from £3.98
# 015
MPN: 008410602
WASHER
from £32.92
from £32.92
# 016
MPN: 008100607
BOLT
from £3.98
from £3.98
# 017
MPN: 001508485
TUBO MANDATA OLIO
from £309.59
from £309.59
# 018
MPN: 008200604
NUT
Supersession
Supersession
# 019
MPN: 008300610
THREADED STUD
from £16.84
from £16.84
# 020
MPN: 008850605
LOCATING DOWEL
# 021
MPN: 001504500
DRIVING GEAR
from £84.20
from £84.20
# 022
MPN: 001500898
GASKET
from £19.25
from £19.25
This part replaces part number 001800898
# 023
MPN: 001508489
Corpo pompa olio
from £454.86
from £454.86
# 024
MPN: 008700618
SCREW
from £0.54
from £0.54
# 025
MPN: 008700619
VITE
from £4.06
from £4.06
# 026
MPN: 001508565
TRASMETTITORE DI PRESSIONE
from £1,179.05
from £1,179.05
This part replaces part number 001501494
# 027
MPN: 008402003
WASHER
from £9.13
from £9.13
# 028
MPN: 008502001
BEARING
from £25.39
from £25.39
# 029
MPN: 008613002
SEAL RING
from £2.40
from £2.40
# 030
MPN: 004504287
GASKET
from £5.98
from £5.98
# 031
MPN: 001506541
COPERCHIETTO
from £42.90
from £42.90
# 032
MPN: 001507602
TUBO MANDATA OLIO
from £30.11
from £30.11
# 033
MPN: 008402401
WASHER
from £10.04
from £10.04
# 034
MPN: 001507462
FONDELLO
# 035
MPN: 001504611
CONTENITORE CARTUCCIA
from £491.96
from £491.96
# 036
MPN: 001503755
PLUG
from £16.26
from £16.26
# 037
MPN: 008401804
WASHER
from £3.32
from £3.32
# 038
MPN: 001500927
SPRING
from £9.30
from £9.30
# 039
MPN: 001500914
PISTONCINO
from £53.92
from £53.92
# 040
MPN: 001501128
GASKET
from £10.88
from £10.88
# 041
MPN: 008700608
SCREW
from £0.53
from £0.53
# 042
MPN: 008700609
SCREW
Supersession
Supersession
# 043
MPN: 008100616
BOLT
from £0.52
from £0.52
# 044
MPN: 001509899
PULEGGIA
from £596.31
from £596.31
# 045
MPN: 008401801
WASHER
from £15.59
from £15.59
# 046
MPN: 008251801
GHIERA
from £24.64
from £24.64
# 047
MPN: 001501189
SEDE VALVOLA DI SICUREZZA
from £301.99
from £301.99
# 048
MPN: 008911101
SFERA
from £4.06
from £4.06
# 049
MPN: 001501190
SPRING
from £6.31
from £6.31
# 050
MPN: 001501188
OIL FILTER
Gasket Required = 001501128
from £31.52
from £31.52
# 051
MPN: 001509960
RADIATORE OLIO
from £1,317.23
from £1,317.23
# 052
MPN: 001509992
TUBO DE POMPA A RAD
# 053
MPN: 001509993
TUBO DA RAD. A BAS
from £120.29
from £120.29
# 054
MPN: 008100830
SCREW
Supersession
Supersession
# 055
MPN: 008200804
NUT
from £0.81
from £0.81
# 056
MPN: 008400901
WASHER
from £0.53
from £0.53
# 057
MPN: 001510212
FLANGIA
# 058
MPN: 001508485
TUBO (G.BRET.-IRLANDA- AUSTRALIA)
from £309.59
from £309.59